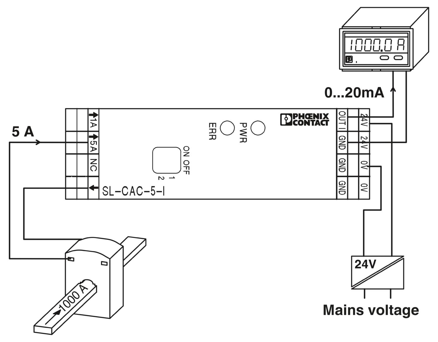
ویژگی های مبدل جریان فونیکس کنتاکت مدل MAX MCR-SL-CAC-5-I
- مبدل اندازه گیری جریان برای 1 آمپر و 5A AC
- سیگنال خروجی 0 … 20 میلی آمپر یا 4 … 20 میلی آمپر
- با استفاده از یک سوئیچ DIP با نشانگر حالت عملکرد از طریق یک LED می تواند پیکربندی شود
راهنمای خرید مبدل جریان فونیکس کنتاکت مدل MAX MCR-SL-CAC-5-I
برای خرید مبدل جریان فونیکس کنتاکت، در نظر گرفتن چندین نکته میتواند به شما در انتخاب بهترین گزینه کمک کند. ابتدا، بهتر است از فروشندگان معتبر مانند اینوت پلاس خرید کنید که محصولات اصلی و با کیفیت را ارائه میدهند. بررسی نظرات و تجربیات سایر کاربران نیز میتواند به شما در انتخاب بهتر کمک کند. در عین حال، توجه به ویژگیهای فنی و مشخصات محصول نیز از اهمیت بالایی برخوردار است تا اطمینان حاصل کنید که اینورتر انتخابی شما تمام نیازهای شما را برآورده میکند.
خدمات و گارانتی مبدل جریان فونیکس کنتاکت مدل MAX MCR-SL-CAC-5-I
۱. گارانتی محصول به مدت ۱۸ ماه
۲. خدمات پس از فروش به مدت ۱۵ سال
جهت مشاوره و خرید محصولات فونیکس کنتاکت با ضمانت، با مشاوران ما تماس حاصل نمایید. کارشناسان ما همواره پاسخگوی شما هستند.





















نقد و بررسیها
هنوز بررسیای ثبت نشده است.